Электродвигатель А4-450УД-10У3: Специализированное решение для экстремально низкоскоростных приводов с максимально высоким крутящим моментом. Благодаря 10 полюсам и длинной станине (Д), этот двигатель обеспечивает максимальную мощность на минимальных оборотах. Он идеально подходит для привода механизмов, требующих очень медленного и мощного вращения, таких как редукторы с большим передаточным отношением, промышленные мешалки и другое подобное оборудование.
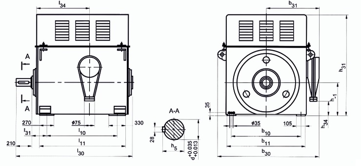
Технические характеристики электродвигателя А4-450УД-10У3
| Характеристика | Описание |
|---|---|
| Тип | Асинхронный, трехфазный |
| Типоразмер | 450 |
| Длина станины | Д (длинная) |
| Количество полюсов | 10 |
| Климатическое исполнение | У3 |
| Режим работы | S1, 50 Гц |
| Совместимость с ПЧ | Да (режимы S8, S9) |
| Конструктивное исполнение | IM1001, IM2001, IM3001 |
| Степень защиты | IP23 (двигатель), IP55 (коробка выводов) |
| Охлаждение | IC 01 |
Условного обозначения электродвигателя
- А: Асинхронный двигатель.
- 4: Серия 4.
- 450: Высота оси (мм).
- УД: Длинная станина.
- 10: 10 полюсов (очень низкие обороты, максимальный момент).
- У3: Умеренный климат, закрытые помещения.
Внимание! Условия эксплуатации и транспортировки электродвигателя А4-450УД-10У3
- Эксплуатация:
- Температурный режим: от -45°C до +40°C.
- Влажность воздуха: не более 80% при +20°C.
- Высота: не более 1000 м.
- Среда: без агрессивных веществ, взрывоопасных газов, пыли ≤ 2 мг/м³.
- Режим работы: S1, допускается работа с ПЧ.
- Транспортировка:
- Обязательная транспортировка в заводской упаковке.
- Ось вала перпендикулярна направлению движения.
- Не допускаются удары, толчки, вибрация во время транспортировки.
- Двигатель должен быть надежно закреплен на транспортном средстве.
Нарушение условий эксплуатации и транспортировки может привести к выходу из строя двигателя!
Купить Электродвигатель А4-450УД-10У3 с Профессиональной Поддержкой от «МетПромМаш»
Не уверены, подойдет ли электродвигатель А4-450УД-10У3 для ваших конкретных задач? «МетПромМаш» предлагает профессиональную поддержку и индивидуальные консультации. Мы поможем вам выбрать оптимальное решение, учитывая все ваши требования и особенности вашего оборудования.
Как получить консультацию и купить:
- Консультация по телефону: Звоните нам по номеру 8 800 23 42 335, и наши эксперты ответят на все ваши вопросы.
- Запрос через сайт: Заполните форму обратной связи на нашем сайте, и мы оперативно свяжемся с вами.
- Email для технических вопросов: Отправьте ваш запрос на электронную почту info@mpm66.ru.
Мы поможем вам сделать правильный выбор и предоставим качественный электродвигатель с быстрой доставкой.
«МетПромМаш» — профессионализм и надежность для вашего бизнеса!








Отзывы
Отзывов пока нет.